КАК УСТРОЕНЫ И РАБОТАЮТ НОВОГОДНИЕ ГИРЛЯНДЫ. ЧАСТЬ 2
КАК УСТРОЕНЫ И РАБОТАЮТ НОВОГОДНИЕ ГИРЛЯНДЫ. ЧАСТЬ 2
Микроконтроллерное управление новогодней гирляндой
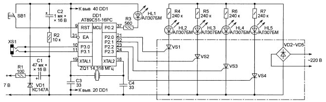
По мере появления в радиолюбительском творчестве конструкций на микроконтроллерах, елочные мигалки, или как их уважительно называют «автоматы световых эффектов» также стали разрабатываться на микроконтроллерах. Наиболее экзотичная конструкция была опубликована в журнале «Радио» №11, 2012, стр. 37 под названием «Сотовый телефон управляет ёлочной гирляндой», автор А. Пахомов.
За основу конструкции была взята плата от неисправной китайской гирлянды. Автор пишет, что его привлекла оригинальность выходного каскада, управляемого непосредственно от МК. Он вспоминает те мигалки, которые строились на микросхемах серии К155, мощных тиристорах КУ202 (других просто не было), и в целом на такую мигалку можно было ставить саму елку.
А тут достаточно было на неисправной плате поменять контроллер, написать программу со световыми эффектами и дополнить каким-нибудь пультом управления. Вот этим пультом и стал валявшийся без дела старенький телефон Siemens C60. В качестве управляющего был применен микроконтроллер AT89C51. Что из этого получилось, показано на рисунке 3.

Рисунок 3. Схема микроконтроллерного управления новогодней гирляндой (для увеличения нажмите на рисунок)
Хотя этот контроллер уже устарел и снят с производства, он является одной из лучших разработок фирмы Intel, в дальнейшем выпускаемый фирмой Atmel. Конструкции на этом МК никогда не зависают, им не требуется сторожевой таймер. Система команд настолько хороша, что до сих пор остается без изменений, несмотря на появление новых моделей семейства MSC-51.
Простая светодиодная мигалка
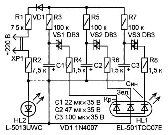
Чуть выше статьи А. Пахомова в том же журнале «Радио» №11, 2012 опубликована статья И. Нечаева «Из деталей КЛЛ. Светодиодная мигалка для новогодней игрушки». Схема выполнена на трехцветном светодиоде и трех симметричных динисторах DB-3 «добытых» из плат от неисправных энергосберегающих ламп.

Рисунок 4. Схема простой светодиодной новогодней гирлянды
Каждый канал трехцветного светодиода управляется от своего релаксационного генератора, собранного на DB-3. Рассмотрим работу схемы на примере одного канала, например красного.
Конденсатор C1 через резистор R3 заряжается от выпрямителя R1, VD1 до напряжения пробоя динистора VS1 (32В). Как только динистор откроется, конденсатор C1 разряжается через красный элемент трехцветного светодиода, резистор R4, и динистор VS1. Далее цикл повторяется.
Красный, зеленый и синий элементы трехцветного светодиода имеют свои генераторы и работают независимо друг от друга. При этом, частота каждого генератора отлична от другого, поэтому вспышки происходят с разным периодом. Конструкция помещена в прозрачный корпус и может использоваться, например, в качестве елочной верхушки. Если в схему добавить белый светодиод HL2, то цветные вспышки будут происходить на белом фоне.
Можно было бы привести еще немало описаний конструкций отечественных радиолюбителей старых или новых, плохих или хороших, но все они были сделаны практически в единичных экземплярах. Современные же магазины сплошь завалены электроникой, сделанной в Китае. Даже новогодние гирлянды и те китайские, к тому же они сейчас ничего и не стоят.
В следущей статье посмотрим, что же там спрятано внутри.

