Регистраторы срабатывания для ограничителей перенапряжений нелинейных

Назначение
Регистраторы срабатывания предназначены для отсчета числа срабатываний ограничителей перенапряжений нелинейных от грозовых и коммутационных перенапряжений.
Регистраторы должны включаться последовательно с ограничителями перенапряжений и устанавливаться на стационарных устройствах, где они не подвержены ударам.
Условия эксплуатации
Регистраторы срабатывания могут эксплуатироваться в условиях открытого воздуха при температуре окружающей среды от минус 60 до плюс 50° С.
Высота установки над уровнем моря до 1200 м.
Относительная влажность воздуха при температуре плюс 25° С до 100%.
Конструкция
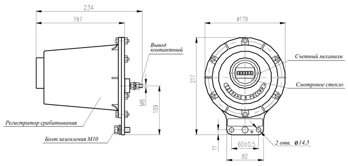
Регистраторы срабатывания состоят из металлического корпуса с изолированным контактным выводом, заземляющим контактным выводом, счетного механизма с электронной схемой и оксидно-цинковых варисторов.
Каждое срабатывание ограничителя, вызванное перенапряжением, приводит к протеканию разрядного тока через регистратор. Протекание разрядного тока приводит к заряду конденсатора. Конденсатор, после исчезновения разрядного тока, разряжается на обмотках счетного механизма и вызывает увеличение показания счетного механизма на одну единицу.
Ссылка на товары: http://www.kabelivsem.ru/cat.php?lang=ru&id=721

